详情
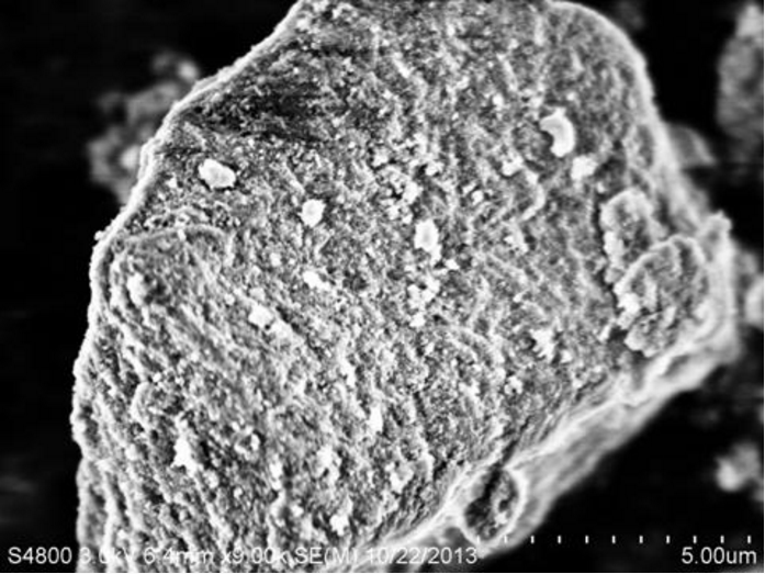
纳米金刚石颗粒(30nm/5g) Diamond Nanoparticles
制备方法:爆轰法
物理化学性质
BET比表面积(平方米/克):300-420
总杂质离子(PPM):<10
粒度分布:30nm
规格:5g

SEM of ACS Material Diamond Nanoparticle
Update Required
To play the media you will need to either update your browser to a recent version or update your Flash plugin.






陈谷一