详情
单层石墨烯(进口) Single Layer Graphene
高比表面积石墨烯
制备方法:热剥离还原与氢化还原
BET比表面积(平方米/克):400~1000
电阻率(Ω∙cm)≤0.30
分散性:利用声波降解法可以在大多数的溶液中进行再分散
重量:500mg

SEM image of ACS Material's Single Layer Graphene

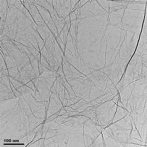
TEM image of ACS Material's Single Layer Graphene (1)

TEM image of ACS Material's Single Layer Graphene (2)
Update Required
To play the media you will need to either update your browser to a recent version or update your Flash plugin.






陈谷一